Zur

Hydrologie
des Süßwasser-Aquariums

                                                    


Aquaristik:  Die Grundlagen verstehen

1. ANORGANISCHE ASPEKTE

e. Gase III
CO2-Erzeugung: Gärung
CO2-Erzeugung: Salzumbildung
CO2-Einsatz: Druckanlage



Vorbemerkung:
Dem Wasser ist es ziemlich egal, woher das CO2 kommt, sofern es rein ist und nicht weitere Stoffe mitgeführt werden. Letzteres ist zumindest beim Gärverfahren nicht auszuschließen. In praxi sind zudem von entscheidender Bedeutung

Steuerbarkeit
Regelbarkeit
Verfügbarkeit


Zur Ergänzung der Stoffwechsel-Vorgänge im Wasser sei als Anhang beigefügt eine unter Aquarianern weit verbreitete Methode der CO2-Erzeugung:


Zuckervergärung



Das für ein Pflanzenwasser notwendige Kohlendioxyd kann leicht hergestellt werden, wenngleich eine geregelte und gezielte Zugabe nicht so einfach ist.
Traubenzucker, „Glucose“ oder „Dextrose“, ist ein
Kohlehydrat, das aus sechs Kohlenstoff-, zwölf Wasserstoff- und sechs Sauerstoff-Atomen besteht


C6H12O6
nämlich als sechsfache Verkettung aus CH-OH:
6* CH-OH = 6* CH2O = C6H12O6

Manche Mikroorganismen - gerade auch die Hefepilze, wie jeder Bäcker sie kennt - spalten in einer wässrigen Lösung das Kohlendioxyd ab, es verbleibt der Alkohol „Ethanol C2H5OH":
C6H12O6 = 2* CO2 + 2* C2H5-OH

Das ist bekannt als „Alkoholische Gärung“. Aus 180[g] Traubenzucker erhält man im Idealfall 88[g] Kohlendioxyd und 92[g] Alkohol, gerundet zu
180[g] C6H12O => 90[g] CO2 + 90[g] C2H5-OH

Die Gärung stoppt, sobald der Alkohol etwa 15% der Lösung erreicht - egal, wieviel Zucker in der Lösung noch vorhanden ist. Obige 180[g] Zucker müssen also in mindestens 510[g] Wasser gelöst werden, um dann 90[gr] Kohlendioxyd zu erzeugen (alle Werte praktikabel gerundet).
Da die Löslichkeit von Zucker ca 2000[g/l] beträgt, ist das unproblematisch.
Der übliche Haushaltszucker, „Saccharose“, weicht ein wenig vom Traubenzucker ab, ein Wassermolekül ist nämlich abgespalten:
2*C6H12O6 = C12H24O12 = C12H22O11 + H2O

Die Mengenangaben weichen deshalb geringfügig ab: Es sind 160[g] Saccarose in mindestens 530[g] Wasser zu lösen, um dasselbe Ergebnis zu erreichen. Hier eine professionelle Lösung, was man aber auch selbst herstellen kann.


Die Geschwindigkeit der CO2-Erzeugung hängt ab von
Menge der Hefepilze
Temperatur
und muss erprobt werden, besonders die Hefe-Zugabe. Naturgemäß ist die Steuerung nicht einfach, wenn überhaupt praktikabel - es gibt bessere Verfahren...
steuerbar: kaum   -   regelbar: nicht   -   verfügbar: sehr gut


* * * * *
NEU!

BIO-CO2-NIEDRIGDRUCKSYSTEM
von FLUVAL

Fluval hat sich der Zuckervergärung angenommen und ein System entwickelt, das weitestgehend dem unten genannten ARKA zu entsprechen scheint, allerdings eben nicht Natriumcarbonat spaltet, sondern Zucker vergärt. Die Handhabung scheint ähnlich einfach zu sein.



steuerbar: gut   -   regelbar: ja   -   verfügbar: gut

Man kann CO2 mit "Haushaltsmitteln" auch erzeugen durch
REDOX-Salzumbildung

indem man Natriumcarbonat ("Soda") in Zitronensäure löst, wobei sich Natriumcitrat mit Wasser bildet und Kohlendioxid aufsteigt:

3x Na2CO3 + 2x C6H8O7 =  2x C6H5Na3O7 + 3x H2O + 3x CO2

Gesteuert werden kann der Vorgang, indem man die Zitronensäure gezielt auf das Soda-Pulver tropfen lässt. Maschinell geschieht das hier:

ZC-11 CO2-Generator
von ZISS AQUA



Die Lösung sieht recht gut aus, eine Regelung über den pH-Wert ist aber auch hier schwerlich machbar, und - über Überdruckventil - kaum sinnvoll.
steuerbar: ja   -   regelbar: nein   -   verfügbar: gut
* * * * *

Aber hier, hier gibt's auch die Möglichkeit der Regelung, da Druckbehälter und Magnetventil vorhanden.

ARKA myScape-CO2 System
von ARKA Biotechnologie

   


Augenscheinlich eine echte Alternative zu den industriellen CO2-Flaschen (s.u.)!
steuerbar: sehr gut   -   regelbar: ja   -   verfügbar: gut
 
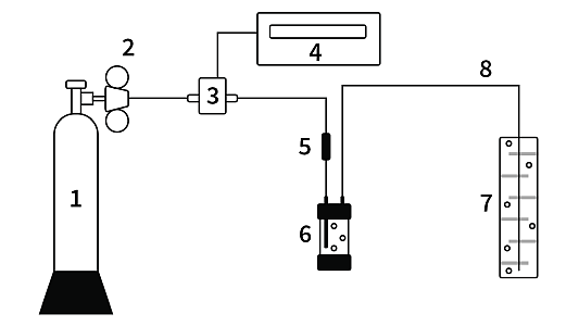
Will man langfristig eine zuverlässige und sicher saubere CO2-Zugabe sicherstellen - zumal in größeren Aquarien -, dürfte die Investition in eine CO2-Druckanlage unter Einsatz

 industriell hergestellten Kohlendioxids

die passende Lösung sein, und zwar stets mit pH-Regelung über einen pH-Controller! Sehr gut und folgenswert ist dieser Beitrag:

https://co2-anlage-ratgeber.de/co2-druckgasanlage/



steuerbar: sehr gut   -   regelbar: ja   -   verfügbar: befriedigend

Darlegung und Begründungen sind vorbildlich - mit einer notwendigen
Korrektur:

Es ist das Magnetventil (Nr 3)
  durch einen pH-Controller (Nr 4)

anzusteuern - nicht durch eine Schaltuhr (zur sinnwidrigen Nachtabschaltung)

          


Steuerung und Regelung

eines regelbaren CO2-Systems erfolgt sinnvoll und praktikabel über

Magnetventil & pH-Controller



Es geschieht bei                                                                                                           
CO2-Zufuhr
2*H2O + 2*CO2 = H2O + CO2 + HCO3- + H+

CO2     ^       =  Kohlendioxid-Konzentration steigt
HCO3- ^       =  Karbonathärte steigt
H+        ^       =  Säure steigt (pH-Wert sinkt)


Es geschieht bei  
CO2-Diffusion
(H2O + CO2 + HCO3- + H+) - 2*CO2
= H2O + HO- + H+   (= 2*H2O)

CO2     (0)       =  Kohlendioxid-Konzentration sinkt
HCO3- (0)       =  Karbonathärte sinkt
HO-       ^        =  Säure sinkt (pH-Wert steigt)


zurück                                                        eMail                                                        weiter

Neumünster, 21.09.2025      *      Egbert W Gerlich     *     ewg@ew-gerlich.de